OEM N type RF Coaxial Connector Supplier

Ningbo Hanson Comunicación Tecnología Co., Ltd. Hogar / Productos / Conector coaxial RF / Conector coaxial RF tipo N

Conector coaxial RF tipo N

Descripción:

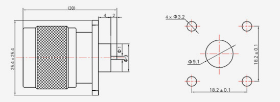
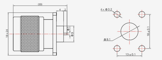
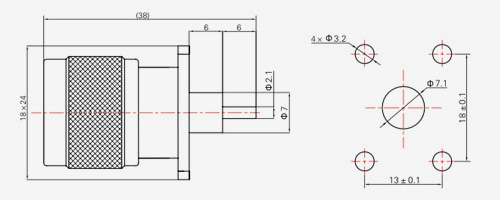
El conector coaxial RF serie tipo N es un conector coaxial RF con un mecanismo de conexión roscado desarrollado y producido de acuerdo con el estándar militar estadounidense MIL-C-39012. Tiene las características de amplio ancho de banda, buena resistencia a los golpes, alta confiabilidad y excelente rendimiento, y se usa ampliamente en sistemas de medición y comunicaciones por microondas. La impedancia característica del conector coaxial RF serie tipo N producido por nuestra fábrica se divide en dos tipos: 50 Ω y 75 Ω.

Parámetro:

Especificaciones técnicas principales:
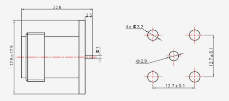
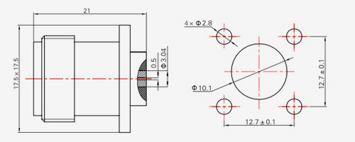
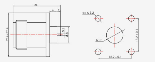
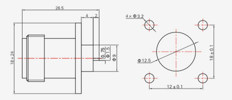
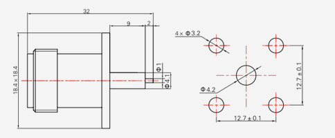
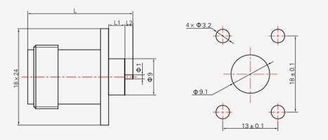
◆ Impedancia característica: 50Ω/75Ω
◆ Rango de frecuencia: DC-18GHz(50Ω)/DC-3GHz(75Ω)
◆ Resistencia de aislamiento: ≥5000MΩ
◆ Tensión de resistencia dieléctrica: 1500 V (rms)
◆ Relación de onda estacionaria de voltaje (VSWR): ≤1,30
◆ Ciclos de apareamiento: 500 veces

Preguntar

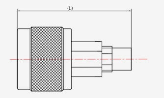
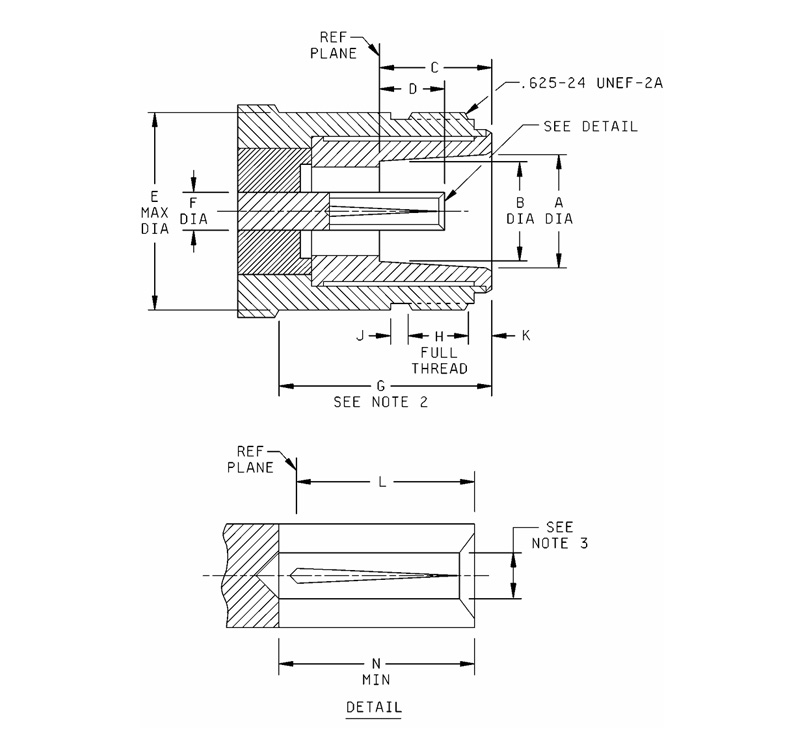
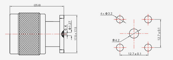
Oscuro
litros
PAGulgadas (mm)
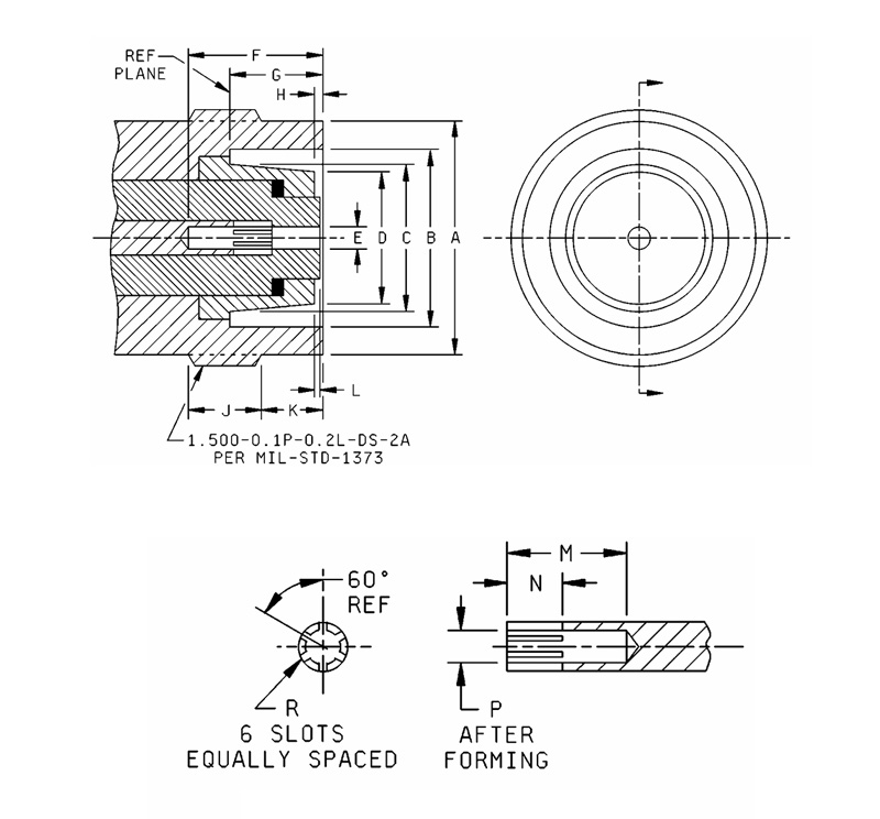
METROín. Máx.
A .336 (8.53) .344 (8.74)
B .316 (8.03) .320 (8.13)
do .356 (9.04) .362 (9.19)
D .187 (4.75) .207 (5.26)
mi ------- .627 (15.93)
F .119 (3.02) .124 (3.15)
GRAMORAMORAMO .422 (10.72) -------
h .172 (4.37) .220 (5.59)
j .047 (1.19) .077 (1.96)
k .047 (1.19) .077 (1.96)
l .187 (4.75) .207 (5.26)
norte .210 (5.33) -------

norteotas:
1. mista interfaz deberá cumplir con los requisitos de calibre como se especifica en
MIl-PRF-39o12/2.
2. mispacio libre para la tuerca de acoplamiento del conector correspondiente.
3. Para cumplir con VSwR, características de acoplamiento, resistencia de contacto y
Durabilidad del conector cuando se acopla con un pasador de diámetro .063/.066.

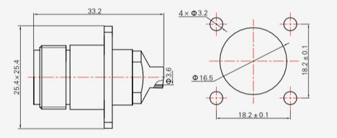
Oscuro
litros
PAGulgadas (mm)
METROín. Máx.
A 1.740 (44.20) 1.760 (44.70)
B 1.537 (39.04) 1.543 (39.19)
do 1.060 (26.92) 1.064 (27.03)
D .964 (24.49) .974 (24.74)
mi .194 (4.93) .196 (4.98)
F .836 (21.23) .856 (21.74)
GRAMORAMORAMO .372 (9.45) .392 (9.96)
h .271 (6.88) .291 (7.39)
j 551 (14.00) .571 (14.50)
k .370 (9.40) .380 (9.65)
l 0,001 (0,03) 0,013 (0,33)

norteotas:
1. mista interfaz deberá cumplir con los requisitos de calibre como se especifica en MIL-PRF-39012/44.

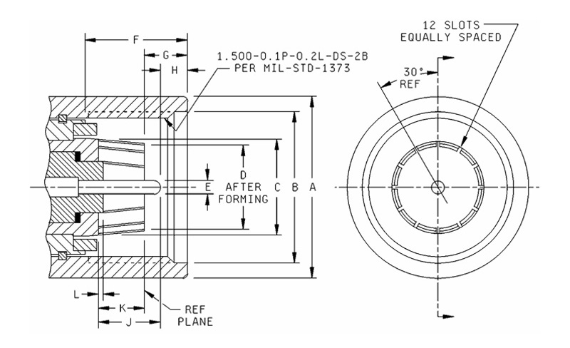
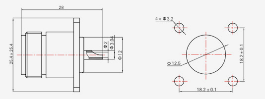
Oscuro
litros
PAGulgadas (mm)
METROín. Máx.
A 1,404 (35,66) 1,408 (35,76)
B 1.100 (27.94) 1.120 (28.45)
do 1.998 (50.75) 1.002 (25.45)
D 936 (23,77) .940 (23.88)
mi .191 (4.85) .195 (4.95)
F .763 (19.38) .783 (19.89)
GRAMORAMORAMO .465 (11.81) .485 (12.32)
h .062 (1.57) Referencia
j .302 (7.67) .322 (8.18)
k .302 (7.67) .322 (8.18)
l 0,001 (0,03) 0,013 (0,33)
M .490 (12.45) .510 (12.95)
norte .240 (6.10) ,260 (6,60)
P .187 (4.75) .189 (4.80)
R 0,014 (0,36) 0,018 (0,46)

norteotas:
1. mista interfaz deberá cumplir con los requisitos de calibre como se especifica en MIL-PRF-39012/45.

N SERIES
  • N-JB2
    N-JB2
    Modelo Tipo de cable d
    N-JB2 SFT-50-2,670-086 Φ2.2
    N-JB3 SFT-50-3,670-141 Ф3.6
  • N-JB3-1
    N-JB3-1
    Modelo Tipo de cable l
    N-JB3-1 SFT-50-3,670-141 17.6
    N-JB3A-1 SFT-50-3,670-141 16.5
  • N-KB3
    N-KB3
    Modelo Tipo de cable
    N-KB3 SFT-50-3,670-141
  • N-KFB3
    N-KFB3
    Modelo Tipo de cable
    N-KFB3 SFT-50-3,670-141
  • N-KYB3
    N-KYB3
    Modelo Tipo de cable
    N-KYB3 SFT-50-3,670-141
  • NJ3
    NJ3
    Modelo Tipo de cable
    NJ3 SYV-50-2-1,RG316
    NJ4 SYV-50-2-2
  • NJ5
    NJ5
    Modelo Tipo de cable l
    NJ5 SYV-50-3,RG142, SFCJ-50-3-51 33
    NJ5C SYV-50-3,RG142, SFCJ-50-3-51 33
    NJ7 SYV-50-5-1, SFCJ-50-5-51 36
    NJ10 SYV-50-7-1, SYV-50-7-2, SFCJ-50-7-51 36
  • NJ5.3
    NJ5.3
    Modelo Tipo de cable
    NJ5.3 32055,205,GNB415
  • N-J311
    N-J311
    Modelo Tipo de cable
    N-J311 FFB311A
  • NJ10-1
    NJ10-1
    Modelo Tipo de cable
    NJ10-1 SFCJ-50-7-51
  • N-JW5
    N-JW5
    Modelo Tipo de cable
    N-JW5 SFCJ-50-3-51,SYV-50-3-4,RG142
    N-JW7 SFCJ-50-5-51,SYV-50-5-1
    N-JW10 SFCJ-50-7-51,SYV-50-7-2
  • N-JW8A
    N-JW8A
    Modelo Tipo de cable
    N-JW8A FFB311A,SYV-50-5
    N-JW12A SYV-75-3
    N-JW13A SYV-75-5
  • N-K3
    N-K3
    Modelo Tipo de cable
    N-K3 SYV-50-2-1,RG316
  • N-K5
    N-K5
    Modelo Tipo de cable l
    N-K5 SYV-50-3,RG142, SFCJ-50-3-51 36
    N-K7 SYV-50-5-1, SFCJ-50-5-51 38
    N-K10 SYV-50-7-1,SFCJ-50-7-51 38
  • N-KF5
    N-KF5
    Modelo Tipo de cable l
    N-KF5 SYV-50-3,RG142,SFCJ-50-3-51 36
    N-KF7 SYV-50-5-1, SFCJ-50-5-51 38
    N-KF10 SYV-50-7-1,SFCJ-50-7-51 38
  • N-KF3A
    N-KF3A
    Modelo Tipo de cable l
    N-KF3A SYV-50-2-1,RG316 33
    N-KF5A SYV-50-3-4,RG142 42
  • N-KY3Y
    N-KY3Y
    Modelo Tipo de cable
    N-KY3Y SYV-50-2-1,RG316
  • N-KFD
    N-KFD
    Modelo l l1 l2
    kfd 26 4 2
    kfd2 31 6 5
    kfd15 30 6 4
    kfd16 28.5 6 2.5
    kfd17 28 6 2
    kfd18 29 5 4
    kfd19 29 4 5
    kfd20 33 4 9
  • N-KF
    N-KF
  • N-JFD1
    N-JFD1
  • N-JFD2
    N-JFD2
  • N-JFD3
    N-JFD3
  • N-JFD23
    N-JFD23
  • N-KFD1
    N-KFD1
  • N-KFD7
    N-KFD7
  • N-KFD11
    N-KFD11
  • N-KFD50
    N-KFD50
  • N-KFD-Z
    N-KFD-Z
  • N-KFD9
    N-KFD9
  • N-KFD14
    N-KFD14

MANTENERSE EN CONTACTO

[#aporte#]
ENVIAR
Sobre nosotros
Ningbo Hanson Comunicación Tecnología Co., Ltd.
Ningbo Hanson Comunicación Tecnología Co., Ltd.
Ningbo Hanson Communication Technology Co., Ltd. is China N type RF Coaxial Connector Supplier and Custom N type RF Coaxial Connector Company. We are a manufacturer specializing in the production, processing, and trade of communication components, with more than 30 years of experience in RF coaxial connectors, adapters, and cable assemblies. La empresa ahora ha desarrollado su propio taller de mecanizado, taller de galvanoplastia, taller de ensamblaje y un grupo de proveedores estables y confiables. El propósito de la empresa es proporcionar a los clientes productos de alta calidad. Los principales productos son conectores coaxiales de RF, adaptadores, conjuntos de cables de alta frecuencia y conjuntos de cables de baja intermodulación. Además, la empresa también puede proporcionar servicios a clientes con necesidades personalizadas para satisfacer los requisitos especiales de los productos de los clientes. Los productos de la empresa se utilizan ampliamente en la industria aeroespacial, estaciones base de comunicaciones, equipos médicos y otros campos de alta tecnología. En el momento de la reforma, la innovación, el desarrollo y el crecimiento empresarial, la empresa tomó la iniciativa de unirse al sistema de gestión de calidad internacional ISO9001 y mejoró continuamente el nivel de gestión para proporcionar productos y servicios más satisfactorios a clientes nuevos y antiguos.
Últimas noticias
¿Busca una oportunidad de negocio?

Solicite una llamada hoy