OEM Conector TNC Supplier

Ningbo Hanson Comunicación Tecnología Co., Ltd. Hogar / Productos / Conector coaxial RF / Conector TNC

Conector TNC

Descripción:

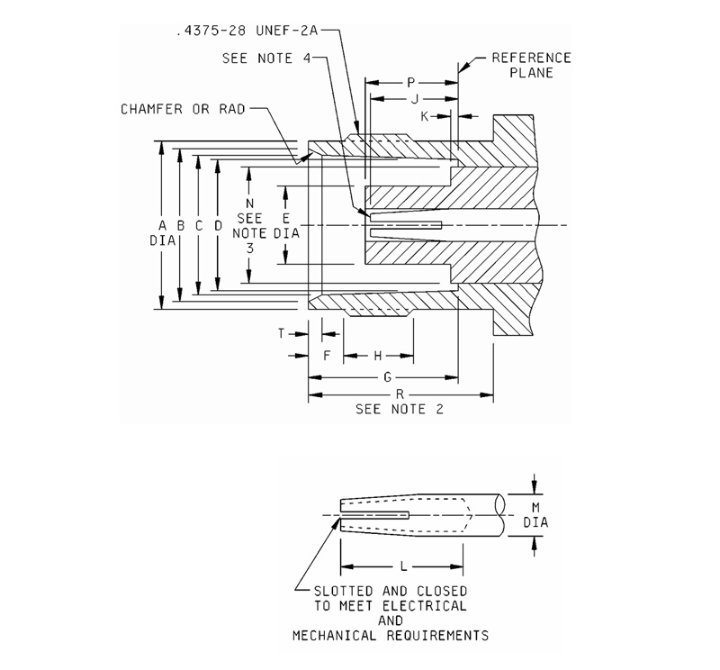
Los conectores coaxiales RF de la serie TNC se desarrollan y producen de acuerdo con el estándar militar estadounidense MIL-C-39012. Tienen las características de amplio ancho de banda, conexión confiable y buena resistencia a los golpes. Son adecuados para conectores y cables RF para entrada y salida de señales de equipos de radio, instrumentos electrónicos y diversos componentes láser.

Parámetro:

Especificaciones técnicas principales:
◆ Impedancia característica: 50Ω
◆ Rango de frecuencia: CC-18 GHz
◆ Resistencia de aislamiento: ≥5000MΩ
◆ Tensión de resistencia dieléctrica: 1500 V (rms)
◆ Relación de onda estacionaria de voltaje (VSWR): ≤1,30
◆ Ciclos de apareamiento: 500 veces

Preguntar

Oscuro
litros
MEtROmitROilímetros (pulgadas)
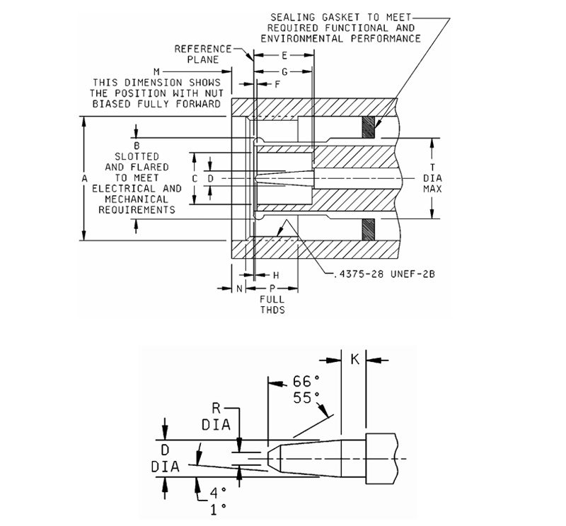
Mínimo Máximo
A .378 (9.60) .381 (9.68)
B .346 (8.79) .356 (9.04)
do .327 (8.31) .333 (8.46)
D .319 (8.10) .321 (8.15)
mi ------- .186 (4.72)
F .068 (1.73) .088 (2.24)
GRAMORAMO .327 (8.31) .335 (8.51)
h .187 (4.75) -------
j .186 (4.72) .206 (5.23)
k ------- 0,006 (0,15)
l .195 (4.95) -------
M .081 (2.06) .087 (2.21)
norte ------- .256 (6.50)
PAGAG .188 (4.78) .208 (5.28)
R .414 (10.52) -------
T 0,015 (0,38) 0,030 (0,76)

norteotas:
1. Esta interfaz deberá cumplir con los requisitos de calibre como se especifica en
MIL-PRF-39012/28.
2. Espacio libre para la tuerca de acoplamiento del conector correspondiente.
3. La dimensión se aplica a esa porción (si corresponde) del dieléctrico.
que sobresale más allá del metal
hombro (o plano de referencia) por la dimensión k.
4. El DI debe cumplir con VSwR cuando se acopla con un pasador de 0,052 pulgadas (1,32 mm)/0,054 (1,37 mm) de diámetro.

Oscuro
litros
MEtROmitROilímetros (pulgadas)
Mínimo Máximo
A .440 (11.18) -------
B GRAMORAMOauge test
do .190 (4.83) -------
D .052 (1.32) .054 (1.37)
mi .210 (5.33) .230 (5.84)
F 0,006 (0,15) -------
GRAMORAMO .208 (5.28) .228 (5.79)
h 0,003 (0,08) .040 (1.02)
k .078 (1.98) -------
M ------- .078 (1.98)
norte .063 (1.60) -------
PAGAG .156 (3.96) -------
R ------- 0,025 (0,64)
T ------- .322 (8.18)

norteotas:
1. Esta interfaz deberá cumplir con los requisitos de calibre como se especifica en MIL-PRF-39012/26.

TNC SERIES
  • TNC-KF3A
    TNC-KF3A
    Modelo Tipo de cable
    TNC-KF3A SYV-50-2-1,RG316
    TNC-KF5A SYV-50-3,RG142,SFCJ-50-3-51
  • TNC-KF3A-1
    TNC-KF3A-1
    Modelo Tipo de cable
    TNC-KF3A-1 SYV-50-2-1,RG316
  • TNC-JB2
    TNC-JB2
    Modelo Tipo de cable d
    TNC-JB2 SFT-50-2,670-086 Φ2.2
    TNC-JB3 SFT-50-3,670-141 Φ3.6
  • TNC-JWB2
    TNC-JWB2
    Modelo Tipo de cable d
    TNC-JWB2 SFT-50-2,670-086 Φ2.2
    TNC-JWB3 SFT-50-3,670-141 Φ3.6
  • TNC-KB2
    TNC-KB2
    Modelo Tipo de cable d
    TNC-KB2 SFT-50-2,670-086 Φ2.2
    TNC-KB3 SFT-50-3,670-141 Φ3.6
  • TNC-KFB2
    TNC-KFB2
    Modelo Tipo de cable d
    TNC-KFB2 SFT-50-2,670-086 Φ2.2
    TNC-KFB3 SFT-50-3,670-141 Φ3.6
  • TNC-KFB2-1
    TNC-KFB2-1
    Modelo Tipo de cable d
    TNC-KFB2-1 SFT-50-2,670-086 Φ2.2
    TNC-KFB3-1 SFT-50-3,670-141 Φ3.6
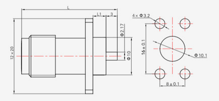
  • TNC-KFD2
    TNC-KFD2
    Modelo l l1
    KFD2 27 3.5
    KFD3 22 2
  • TNC-J3A
    TNC-J3A
    Modelo Tipo de cable
    TNC-J3A SYV-50-2-1,RG316
    TNC-J5A SYV-50-3-4,RG142, SFCJ-50-3-51
    TNC-J5AC
  • TNC-J4
    TNC-J4
    Modelo Tipo de cable l
    TNC-J4 SYV-50-2-2 31
    TNC-J5 SYV-50-3-4, SFCJ-50-3-51,RG316 31
    TNC-(K)5
    TNC-J5C
    TNC-J7 SYV-50-5-1, SFCJ-50-5-51 36
    TNC-J7C
    TNC-J10 SYV-50-7-1,SYV-50-7-2, SFCJ-50-7-51 36
    TNC-J10C
  • TNC-JW5
    TNC-JW5
    Modelo Tipo de cable
    TNC-JW5 SYV-50-3-4,SFCJ-50-3-51,RG142
    TNC-JW7 SYV-50-5-1, SFCJ-50-5-51
    TNC-JW10 SYV-50-7-2,SFCJ-50-7-51
  • TNC-JW5-1
    TNC-JW5-1
    Modelo Tipo de cable
    TNC-JW5-1 SYV-50-3-4,SFCJ-50-3-51,RG142
  • TNC-K5
    TNC-K5
    Modelo Tipo de cable l
    TNC-K5 SYV-50-3-4, SFCJ-50-3-51,RG142 31
    TNC-(J)5
    TNC-K7 SYV-50-5-1, SFCJ-50-5-51 33
    TNC-K10 SYV-50-7-1, SYV-50-7-2, SFCJ-50-7-51 33
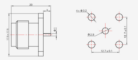
  • TNC-KFD1
    TNC-KFD1
  • TNC-KFD4
    TNC-KFD4

MANTENERSE EN CONTACTO

[#aporte#]
ENVIAR
Sobre nosotros
Ningbo Hanson Comunicación Tecnología Co., Ltd.
Ningbo Hanson Comunicación Tecnología Co., Ltd.
Ningbo Hanson Communication Technology Co., Ltd. is China Conector TNC Supplier and Custom Conector TNC Company. We are a manufacturer specializing in the production, processing, and trade of communication components, with more than 30 years of experience in RF coaxial connectors, adapters, and cable assemblies. La empresa ahora ha desarrollado su propio taller de mecanizado, taller de galvanoplastia, taller de ensamblaje y un grupo de proveedores estables y confiables. El propósito de la empresa es proporcionar a los clientes productos de alta calidad. Los principales productos son conectores coaxiales de RF, adaptadores, conjuntos de cables de alta frecuencia y conjuntos de cables de baja intermodulación. Además, la empresa también puede proporcionar servicios a clientes con necesidades personalizadas para satisfacer los requisitos especiales de los productos de los clientes. Los productos de la empresa se utilizan ampliamente en la industria aeroespacial, estaciones base de comunicaciones, equipos médicos y otros campos de alta tecnología. En el momento de la reforma, la innovación, el desarrollo y el crecimiento empresarial, la empresa tomó la iniciativa de unirse al sistema de gestión de calidad internacional ISO9001 y mejoró continuamente el nivel de gestión para proporcionar productos y servicios más satisfactorios a clientes nuevos y antiguos.
Últimas noticias
¿Busca una oportunidad de negocio?

Solicite una llamada hoy