OEM Conector SMPM sellado herméticamente Supplier

Ningbo Hanson Comunicación Tecnología Co., Ltd. Hogar / Productos / Serie herméticamente sellada / Conector SMPM sellado herméticamente

Conector SMPM sellado herméticamente

Descripción:

El conector sellado SMPM (SubMiniature Push-on Micro) es un conector RF miniaturizado con escape completo, semiescape y orificio de luz, diseñado para aplicaciones livianas, de espacio compacto y de alta frecuencia. Es un conector push-on, comúnmente utilizado en equipos electrónicos y de comunicaciones que requieren poco peso, alta confiabilidad y tamaño pequeño. Los conectores SMPM tienen una alta calidad de transmisión de señal y pueden proporcionar un buen rendimiento eléctrico.

Preguntar

Estructura básica:
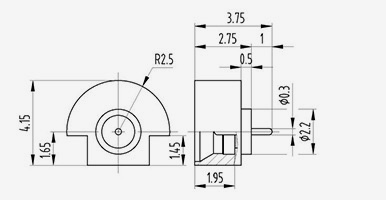
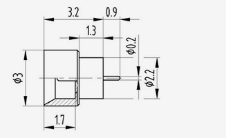
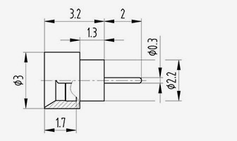
El conector coaxial RF sellado al aire tipo SMPM-J consta de tres partes: conductor externo, medio de vidrio y conductor interno; la estructura básica se muestra en la siguiente figura:

Principales parámetros técnicos:

Características eléctricas
Impedancia característica 50Ω Rango de frecuencia CC ~ 40 GHz
Tensión de resistencia dieléctrica 500 Vrms Resistencia de aislamiento 2000M Ω
Voltaje VSWR <1.4 Pérdida de inserción ≤0,05 √f dB(GHz)
Propiedades materiales y mecánicas y medioambientales.
Caja Aleación lavable/Chapado en oro Pensilvaniatas Aleación lavable/chapado en oro
Medio de aislamiento Vaso Durabilidad del conector Escape completo 100 veces
Tasa de fuga ≤1,01325×10 Pa ·m³/s agujero óptico 1000 veces
Temperatura de funcionamiento -65 ℃ ~ 165 ℃

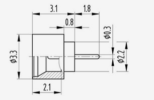
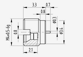
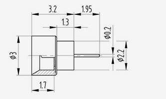
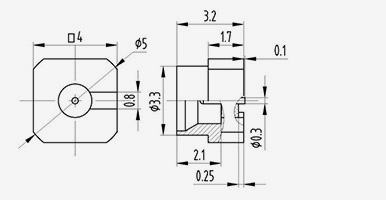
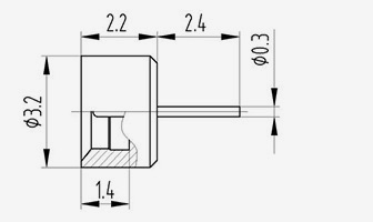
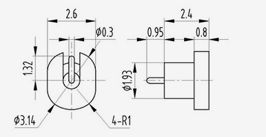
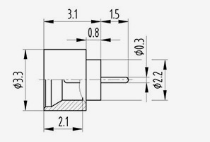
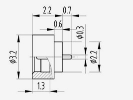
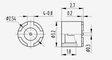
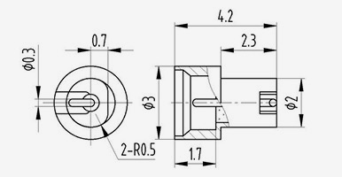
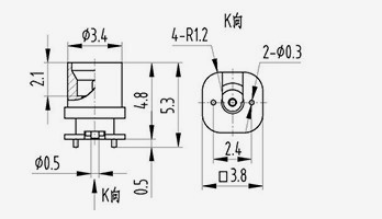
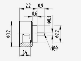
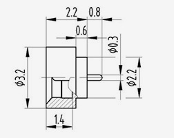
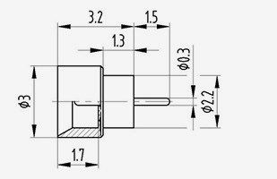
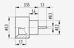
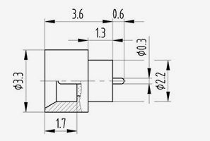
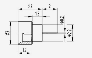
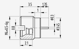
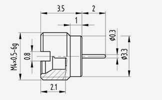
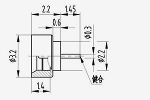
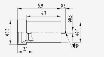
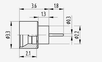
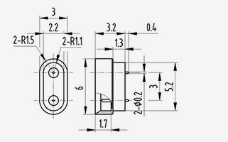
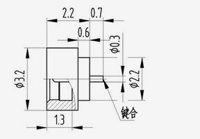
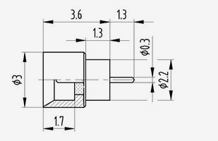
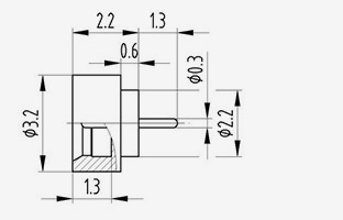
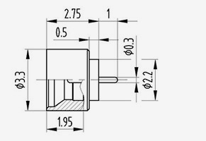
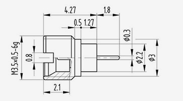
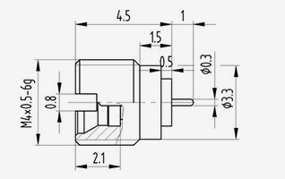
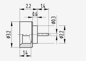
Tamaño de la interfaz:
Los conectores coaxiales RF sellados al aire tipo SMPM-J tienen dos formas de interfaz: escape completo y orificio desnudo. Al nombrar el modelo, F indica escape completo y
S significa agujero de luz. Las dimensiones de la interfaz se dividen en dimensiones de interfaz estándar y dimensiones de interfaz corta, las cuales se pueden interconectar con enchufes tipo SMPM-K.
Tamaño de interfaz estándar:

Dimensiones de interfaz corta:

SMPM SERIES
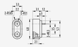
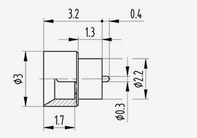
  • SMPM(M)-JYD3S
    SMPM(M)-JYD3S
    Modelo Observaciones
    SMPM(M)-JYD3S Orificio liso
  • SMPM(M)-JYD5S
    SMPM(M)-JYD5S
    Modelo Observaciones
    SMPM(M)-JYD5S Orificio liso
  • SMPM(M)-JYD8F
    SMPM(M)-JYD8F
    Modelo Observaciones
    SMPM(M)-JYD8F Detención total
  • SMPM(M)-JYD10F
    SMPM(M)-JYD10F
    Modelo Observaciones
    SMPM(M)-JYD10F Detención total
  • SMPM(M)-JYD12S
    SMPM(M)-JYD12S
    Modelo Observaciones
    SMPM(M)-JYD12S Orificio liso
  • SMPM(M)-JYD13F
    SMPM(M)-JYD13F
    Modelo Observaciones
    SMPM(M)-JYD13F Detención total
  • SMPM(M)-JYD14F
    SMPM(M)-JYD14F
    Modelo Observaciones
    SMPM(M)-JYD14F Detención total
  • SMPM(M)-JYD15F
    SMPM(M)-JYD15F
    Modelo Observaciones
    SMPM(M)-JYD15F Detención total
  • SMPM(M)-JYD16S
    SMPM(M)-JYD16S
    Modelo Observaciones
    SMPM(M)-JYD16S Orificio liso
  • SMPM(M)-JYD17S
    SMPM(M)-JYD17S
    Modelo Observaciones
    SMPM(M)-JYD17S Orificio liso
  • SMPM(M)-JYD18S
    SMPM(M)-JYD18S
    Modelo Observaciones
    SMPM(M)-JYD18S Orificio liso
  • SMPM(M)-JYD19S
    SMPM(M)-JYD19S
    Modelo Observaciones
    SMPM(M)-JYD19S Orificio liso
  • SMPM(M)-JYD20F
    SMPM(M)-JYD20F
    Modelo Observaciones
    SMPM(M)-JYD20F Detención total
  • SMPM(M)-JYD21S
    SMPM(M)-JYD21S
    Modelo Observaciones
    SMPM(M)-JYD21S Orificio liso
  • SMPM(M)-JYD22F
    SMPM(M)-JYD22F
    Modelo Observaciones
    SMPM(M)-JYD22F Detención total
  • SMPM(M)-JYD23S
    SMPM(M)-JYD23S
    Modelo Observaciones
    SMPM(M)-JYD23S Orificio liso
  • SMPM(M)-JYD24F
    SMPM(M)-JYD24F
    Modelo Observaciones
    SMPM(M)-JYD24F Detención total
  • SMPM(M)-JYD25F
    SMPM(M)-JYD25F
    Modelo Observaciones
    SMPM(M)-JYD25F Detención total
  • SMPM(M)-JYD26F
    SMPM(M)-JYD26F
    Modelo Observaciones
    SMPM(M)-JYD26F Detención total
  • SMPM(M)-JYD27S
    SMPM(M)-JYD27S
    Modelo Observaciones
    SMPM(M)-JYD27S Orificio liso
  • SMPM(M)-JYD28S
    SMPM(M)-JYD28S
    Modelo Observaciones
    SMPM(M)-JYD28S Orificio liso
  • SMPM(M)-JYD29F
    SMPM(M)-JYD29F
    Modelo Observaciones
    SMPM(M)-JYD29F Detención total
  • SMPM(M)-JYD30S
    SMPM(M)-JYD30S
    Modelo Observaciones
    SMPM(M)-JYD30S Orificio liso
  • SMPM(M)-JYD31F
    SMPM(M)-JYD31F
    Modelo Observaciones
    SMPM(M)-JYD31F Detención total
  • SMPM(M)-JYD32F
    SMPM(M)-JYD32F
    Modelo Observaciones
    SMPM(M)-JYD32F Detención total
  • SMPM(M)-JYD33S
    SMPM(M)-JYD33S
    Modelo Observaciones
    SMPM(M)-JYD33S Orificio liso
  • SMPM(M)-JYD34S
    SMPM(M)-JYD34S
    Modelo Observaciones
    SMPM(M)-JYD34S Orificio liso
  • SMPM(M)-JYD35S
    SMPM(M)-JYD35S
    Modelo Observaciones
    SMPM(M)-JYD35S Orificio liso
  • SMPM(M)-JYD36S
    SMPM(M)-JYD36S
    Modelo Observaciones
    SMPM(M)-JYD36S Orificio liso
  • SMPM(M)-JYD37S
    SMPM(M)-JYD37S
    Modelo Observaciones
    SMPM(M)-JYD37S Orificio liso
  • SMPM(M)-JYD38S
    SMPM(M)-JYD38S
    Modelo Observaciones
    SMPM(M)-JYD38S Orificio liso
  • SMPM(M)-JYD39S
    SMPM(M)-JYD39S
    Modelo Observaciones
    SMPM(M)-JYD39S Orificio liso
  • SMPM(M)-JYD41S
    SMPM(M)-JYD41S
    Modelo Observaciones
    SMPM(M)-JYD41S Orificio liso
  • SMPM(M)-JYD42S
    SMPM(M)-JYD42S
    Modelo Observaciones
    SMPM(M)-JYD42S Orificio liso
  • SMPM(M)-JYD43F
    SMPM(M)-JYD43F
    Modelo Observaciones
    SMPM(M)-JYD43F Detención total
  • SMPM(M)-JYD44F
    SMPM(M)-JYD44F
    Modelo Observaciones
    SMPM(M)-JYD44F Detención total
  • SMPM(M)-JYD45S
    SMPM(M)-JYD45S
    Modelo Observaciones
    SMPM(M)-JYD45S Orificio liso
  • SMPM(M)-JYD46S
    SMPM(M)-JYD46S
    Modelo Observaciones
    SMPM(M)-JYD46S Orificio liso
  • SMPM(M)-JYD60F
    SMPM(M)-JYD60F
    Modelo Observaciones
    SMPM(M)-JYD60F Detención total
  • SMPM(M)-JYD61F
    SMPM(M)-JYD61F
    Modelo Observaciones
    SMPM(M)-JYD61F Detención total
  • SMPM(M)-JYD62F
    SMPM(M)-JYD62F
    Modelo Observaciones
    SMPM(M)-JYD62F Detención total
  • SMPM(M)-JYD63S
    SMPM(M)-JYD63S
    Modelo Observaciones
    SMPM(M)-JYD63S Orificio liso
  • SMPM(M)-JYD64S
    SMPM(M)-JYD64S
    Modelo Observaciones
    SMPM(M)-JYD64S Orificio liso
  • SMPM(M)-JYD65S
    SMPM(M)-JYD65S
    Modelo Observaciones
    SMPM(M)-JYD65S Orificio liso
  • SMPM(M)-JYD66S
    SMPM(M)-JYD66S
    Modelo Observaciones
    SMPM(M)-JYD66S Orificio liso
  • SMPM(M)-JHD1S
    SMPM(M)-JHD1S
    Modelo Observaciones
    SMPM(M)-JHD1S Orificio liso
  • SMPM(M)-JHD2F
    SMPM(M)-JHD2F
    Modelo Observaciones
    SMPM(M)-JHD2F Detención total
  • SMPM(M)-JHD3F
    SMPM(M)-JHD3F
    Modelo Observaciones
    SMPM(M)-JHD3F Detención total
  • SMPM(M)-JHD4F
    SMPM(M)-JHD4F
    Modelo Observaciones
    SMPM(M)-JHD4F Detención total
  • SMPM(M)-JHD6F
    SMPM(M)-JHD6F
    Modelo Observaciones
    SMPM(M)-JHD6F Detención total
  • SMPM(M)-JHD21F
    SMPM(M)-JHD21F
    Modelo Observaciones
    SMPM(M)-JHD21F Detención total
  • SMPM(M)-JFD1S
    SMPM(M)-JFD1S
    Modelo Observaciones
    SMPM(M)-JFD1S Orificio liso
  • SMPM(M)-JWSD1S
    SMPM(M)-JWSD1S
    Modelo Observaciones
    SMPM(M)-JWSD1S Orificio liso
  • SMPM(M)-JWSD8
    SMPM(M)-JWSD8
    Modelo Observaciones
    SMPM(M)-JWSD8
  • SMPM(M)-JWSD9S
    SMPM(M)-JWSD9S
    Modelo Observaciones
    SMPM(M)-JWSD9S Orificio liso
  • SMPM(M)-JWSD10S
    SMPM(M)-JWSD10S
    Modelo Observaciones
    SMPM(M)-JWSD10S Orificio liso
  • SMPM(M)-JSD1S
    SMPM(M)-JSD1S
    Modelo Observaciones
    SMPM(M)-JSD1S Orificio liso

MANTENERSE EN CONTACTO

[#aporte#]
ENVIAR
Sobre nosotros
Ningbo Hanson Comunicación Tecnología Co., Ltd.
Ningbo Hanson Comunicación Tecnología Co., Ltd.
Ningbo Hanson Communication Technology Co., Ltd. is China Conector SMPM sellado herméticamente Supplier and Custom Conector SMPM sellado herméticamente Company. We are a manufacturer specializing in the production, processing, and trade of communication components, with more than 30 years of experience in RF coaxial connectors, adapters, and cable assemblies. La empresa ahora ha desarrollado su propio taller de mecanizado, taller de galvanoplastia, taller de ensamblaje y un grupo de proveedores estables y confiables. El propósito de la empresa es proporcionar a los clientes productos de alta calidad. Los principales productos son conectores coaxiales de RF, adaptadores, conjuntos de cables de alta frecuencia y conjuntos de cables de baja intermodulación. Además, la empresa también puede proporcionar servicios a clientes con necesidades personalizadas para satisfacer los requisitos especiales de los productos de los clientes. Los productos de la empresa se utilizan ampliamente en la industria aeroespacial, estaciones base de comunicaciones, equipos médicos y otros campos de alta tecnología. En el momento de la reforma, la innovación, el desarrollo y el crecimiento empresarial, la empresa tomó la iniciativa de unirse al sistema de gestión de calidad internacional ISO9001 y mejoró continuamente el nivel de gestión para proporcionar productos y servicios más satisfactorios a clientes nuevos y antiguos.
Últimas noticias
¿Busca una oportunidad de negocio?

Solicite una llamada hoy