Noticias de la industria

Ningbo Hanson Comunicación Tecnología Co., Ltd. Hogar / Noticias / Noticias de la industria / ¿Cuáles son los errores más comunes al instalar conectores SMA?

¿Cuáles son los errores más comunes al instalar conectores SMA?

Ningbo Hanson Comunicación Tecnología Co., Ltd. 2025.11.19
Ningbo Hanson Comunicación Tecnología Co., Ltd. Noticias de la industria

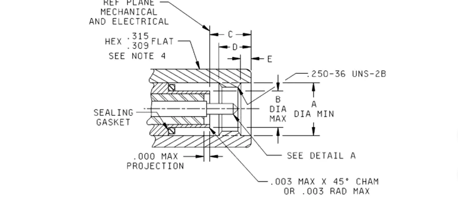
Conectores SMA son uno de los conectores coaxiales más comunes y utilizados en aplicaciones de RF, ampliamente utilizados en equipos de comunicación, sistemas de microondas, antenas, instrumentos de prueba, GPS, radares y otros sistemas de alta frecuencia. Aunque la estructura de un conector SMA parece simple, incluso un pequeño error durante la instalación o conexión puede provocar atenuación de la señal, aumento de VSWR, mal contacto e incluso mal funcionamiento del equipo. Por tanto, la instalación adecuada de los conectores SMA es fundamental.

1. Par de apriete incorrecto
Muchos usuarios caen en un error común al instalar conectores SMA: o simplemente los aprietan casualmente o lo aprietan con fuerza bruta hasta que quede "muy apretado". Ambos enfoques causarán problemas.

Si no se aprieta lo suficiente, se producirá un contacto deficiente y una conexión inestable, lo que hará que la señal sea susceptible a interferencias. Especialmente en entornos de vibración, el cabezal SMA se aflojará gradualmente, lo que provocará mayores reflejos e incluso interrupciones de la señal. Si se aprieta demasiado, dañará el núcleo interno, deformará las roscas y dañará la estructura dieléctrica, lo que provocará una degradación irreversible del rendimiento.

El procedimiento correcto es utilizar una llave dinamométrica para apretarlo a un par estándar de aproximadamente 0,8 N·m. Esto garantiza un contacto seguro y al mismo tiempo previene daños estructurales, lo que la convierte en una herramienta esencial para la instalación de RF profesional.

2. Desalineación del conductor central
Los conectores SMA son conectores RF de precisión con conductores centrales (clavijas o enchufes) extremadamente pequeños. La desalineación durante el acoplamiento y la inserción forzada pueden causar fácilmente que el pasador se doble y se deforme el casquillo. Este tipo de daño muchas veces es irreparable y puede que no sea visible a simple vista, pero conduce directamente a:
VSWR aumentado
Mayor pérdida de señal
Contacto inestable
Dificultad en la inserción y extracción.
La vida útil de la señal se redujo significativamente
Especialmente en equipos de prueba o sistemas de alta frecuencia, este daño degrada todo el rendimiento del enlace y es difícil de solucionar.

El procedimiento correcto es alinear el conductor con cuidado, insertarlo suavemente y luego asegurarlo con una llave dinamométrica. Nunca uses la fuerza bruta.

3. El ajuste manual introduce residuos metálicos y óxidos en la interfaz.
Muchos ingenieros habitualmente ajustan los conectores SMA a mano, especialmente durante las pruebas frecuentes. Esto no solo da como resultado un torque insuficiente sino que también introduce fácilmente contaminantes como polvo, restos metálicos y aceites para la piel. Estas pequeñas partículas pueden aumentar la resistencia de contacto e incluso dañar el baño de oro, lo que provoca una mayor atenuación de la señal.

En los conectores de alta frecuencia, incluso las impurezas más pequeñas pueden provocar fluctuaciones en el rendimiento. Por tanto, es fundamental:
No apriete con la mano (apriete sólo ligeramente durante el posicionamiento inicial);
Limpie las superficies de conexión con un paño sin pelusa o un hisopo con alcohol antes de la instalación;
Evite tocar las superficies conductoras con las manos desnudas;
Unos buenos hábitos de limpieza pueden prolongar significativamente la vida útil del conector.

4. Mezcla de tipos de conectores SMA macho y hembra
Conector SMA Las interfaces son muy similares en apariencia a otras interfaces RF, como RP-SMA, SMB, SMC y tipo N. Mucha gente juzga basándose en la apariencia, lo que resulta en la conexión forzada de interfaces incompatibles, lo que puede causar:
Hilos dañados
Pasadores centrales rotos
Agujeros interiores deformados
Fallo total de rendimiento

SMA y RP-SMA (SMA de polaridad inversa) se confunden con especial facilidad. Se ven similares pero tienen estructuras internas diferentes. Forzar una conexión no solo evita la transmisión de la señal sino que también puede dañar la interfaz del dispositivo.

Antes de conectarse, confirme siempre:
¿Es un conector SMA estándar?
¿Es correcto el tipo de conector?
¿Es compatible con el puerto del dispositivo?
¿Cumple con los requisitos de frecuencia (existe una diferencia entre los conectores SMA estándar y de precisión)?

Evite dañar equipos costosos debido a una operación incorrecta.

5. La flexión excesiva del cable de conexión provoca discontinuidades de impedancia.
Muchos problemas al instalar conectores SMA no se deben en realidad al conector en sí, sino a una flexión inadecuada del cable durante la instalación. Los cables coaxiales son muy sensibles a los radios de curvatura. Si se dobla demasiado, provocará:
discontinuidades de impedancia
Mayor reflexión de la señal.
Mayor pérdida de cable
Resultados de pruebas instantáneos.

Estos problemas son particularmente notables en aplicaciones de alta frecuencia (por encima de 6 GHz).

Pautas recomendadas:
Radio de curvatura ≥ 5 veces el diámetro del cable
Evite doblarse cerca del punto de conexión.
Evite aplicar tensión o torsión al cable.
Esto mantendrá un rendimiento de transmisión estable.

6. El acoplamiento y desacoplamiento frecuentes provoca desgaste.
La vida útil teórica de un conector SMA suele ser de unos 500 ciclos de acoplamiento y desacoplamiento, pero muchos entornos de prueba pueden implicar docenas de ciclos de acoplamiento y desacoplamiento por día. El uso repetido y prolongado puede provocar: desgaste del baño de oro; mayor impedancia de contacto; deformación de la hoja; y aflojamiento del conductor central, afectando la estabilidad de la señal e incluso aumentando los errores.

Las soluciones incluyen: uso de un adaptador protector (protector SMA) en entornos de prueba de alta frecuencia; reemplazar periódicamente los cables de prueba; y monitorear cambios en la impedancia de contacto del conector. Esto puede prolongar significativamente la vida útil de las interfaces de instrumentos valiosos.

Si bien la instalación de conectores SMA es sencilla, cada detalle afecta directamente la calidad de la señal. Seguir los procedimientos estándar y utilizar las herramientas correctas garantiza conexiones estables, un rendimiento confiable y una vida útil más larga del equipo.

¿Busca una oportunidad de negocio?

Solicite una llamada hoy